常见的法兰接头形式有哪些(1)?
法兰接头是工程设计中使用极为普遍、涉及面非常广泛的一种零部件。它是配管设计、管件阀门必不可少的零件,而且也是设备、设备零部件(如人孔、视镜液面计等)中必备的构件。此外,其它专业如工业炉、热工、给排水、采暖通风、自控等,也经常使用法兰接头。
材质: 锻钢、WCB碳钢、不锈钢、316L、316、304L、304、321、铬钼钢、铬钼钒钢、钼二钛、衬胶、衬氟材质。 |
分类: 平焊法兰、带颈法兰、对焊法兰、环连接法兰、承插法兰、及盲板等 |
| 执行标准: 有GB系列(国家标准)、JB系列(机械部)、HG系列(化工部)、ASME B16.5(美标)、BS4504(英标)、DIN(德标)、JIS(日标) |
国际管法兰标准体系: 国际上管法兰标准主要有两个体系,即以德国DIN(包括原苏联)为代表的欧洲管法兰体系和以美国ANSI管法兰为代表的美洲管法兰体系。 |
下面是12种法兰类型及密封面形式
1、板式平焊法兰

板式平焊法兰(化工标准HG20592、国家标准GB/T9119、机械JB/T81)。
优点:
取材方便,制造简单,成本低,使用广泛
缺点:
刚性较差,因此不得用于有供需、易燃、易爆和较高真空度要求的化工工艺配管系统和高度、极度危害的场合。
密封面型式有平面和突面。
2、带颈平焊法兰

带颈平焊法兰属于国标法兰标准体系。是国标法兰(又称GB法兰)的其中一种表现形式,是设备或管道上常用的法兰之一。
优点:
现场安装较方便,可省略焊缝拍揉伤的工序
缺点:
带颈平焊法兰颈部高度较低,对法兰的刚度、承载能力有所提高。与对焊法兰相比,焊接工作量大,焊条耗量高,经不起高温高压及反复弯曲和温度波动。
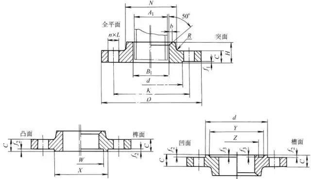
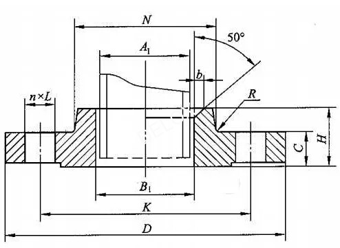
3、带颈对焊法兰

带颈对焊法兰的密封面形式有:
突面(RF)、凹面(FM),凸面(M)、榫面(T),槽面(G),全平面(FF)。
优点:
连接不易变形,密封效果好,应用广泛,适用于温度或压力大幅度波动的管道或高温、高压及低温的管道,也用于输送价格昂贵介质、易燃易爆介质、有毒气体的管道上
缺点:
带颈对焊法兰的体积庞大,重量笨重,价格昂贵,安装定位很困难。因此在运输途中更容易磕碰。
4、整体法兰

整体法兰是一种法兰的连接方式。也是属于带颈对焊钢制管法兰的一种。材质有碳钢、不锈钢、合金钢等。
在国内各个标准之中,用IF来表示整体法兰。多用于压力较高的管道之中。生产工艺一般为铸造。
在法兰类型中就是用一个“IF”来表示整体法兰的类型。
一般为突面(RF),如果在易燃、易爆、高度和极度危害的使用工况之中,则可以选用除了RF面之外的凸凹面(MFM)及榫槽面(TG)的密封面的形式。
未完待续
相关连接:法兰片和法兰接头(简称FG)